Tailored solutions for diverse sectors and challenges.
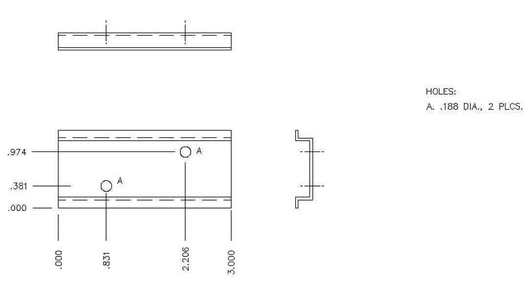
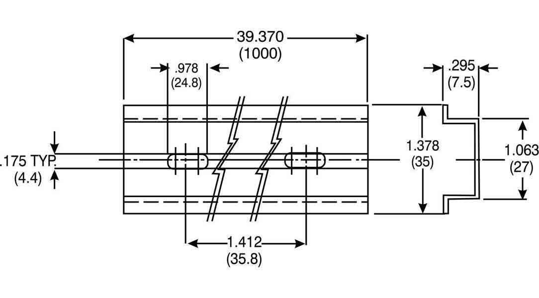
ES Series Protection Relays provide a wide range of cost-saving options to simplify protection related to Generator, Transformer, Distribution, Process Control, Auto Transfer Schemes, and Motor applications. ES relays offer many high-end features not typically found in a low-cost device to provide simple, yet sophisticated, protection for your applications. Multiple DIN-rail mounting options are available.
Contact Basler Electric today for additional information about our services & products.
Technical Support is available any time of day or night, every day of the year. We look forward to hearing from you. Services include:
We want to hear from you. Send us a note with your feedback or questions.
Select a Country
Select a State
Select a County
Select a Market Segment
Select a Market Subsegment
"*" indicates required fields